Copal Brand快门由日本东京的Copal Co制造,直到2016年停产。Copal快门由Schneider,Rodenstock,Fuji等视角相机镜头提供,它们简单,可靠且经济。 Copal快门的性能和价格如此高,因此它们通常是对过时或磨损设备的恢复或修理的实用改进。 许多镜头可以直接从旧快门安装到新快门,只需要适当的光圈刻度并将其安装在镜板上即可。

Copal快门的历史
提到Copal 快门就不能不提到柯尼卡Konica。
柯尼卡(KONICA),是一个日本品牌,成立于1873年,前身为小西屋六兵卫店,Konishiroku是公司的名字,Konica是商标。主要从事感光材料和化学制品,比Eastman Kodak公司还早,和AGFA同年。2003年8月,柯尼卡与美能达合并,成为现在的柯尼卡美能达。
1960年,柯尼卡推出首部单反相机Konica F,使用F镜头接环,它有一部纵走幕廉快门,Hi-Synchro,最高速度为1/2000秒,闪光同步为1/125 秒,在当时为最快(之前最快是Ihagee生产的127幅面相机VP Exakta所用的快门,速度范围从1/25秒到1/1000秒)。
但是因为这个快门制造麻烦,而且太出色了,没有其它的制造商跟进。( 柯尼卡从1953年开始花了7年来研制这部快门,另外从1955年开始花5年研制机身。)
碰巧的是,在1957年左右,一个日本发明家独立的研制出一个新颖的快门,他试图向各大公司推销自己的发明。Mamiya很感兴趣并做了两年的研究,但Mamiya最后没有生产这部快门,Mamiya觉得非常抱歉就把这部快门介绍给Copal。Copal在Konishiroku(Konica)和Mamiya的财力支持下对这部快门进行了彻底的开发。同时Konishiroku(Konica)和Mamiya 也把自己的快门技术提供给Copal。Konica的Hi-Synchro快门对Copal的影响很大。不久Asahi Kogaku(Pentax)加入了联盟。
1960年COPAL发明了世界上第一只叶片快门,它是由遮光叶片作为挡光零件,该遮光叶片紧贴着照相机曝光窗前侧,曝光时遮光叶片作上下运动,故此叶片快门属于纵走式焦平面快门。 这种金属叶片快门几乎已全部淘汰了帘幕快门。这种快门的推出, 对相机的快门是一种革命, 以至于后来对这样的快门统称为 钢片快门, 其实, 现在的材料已经不完全是钢的, 有钛合金, 碳纤维。 速度更是提高到了 1/8000秒, 同时, 由于采用了 多片, 纵走, 使得 闪光同步闪光可以达到 1/125 甚至 1/250秒。
1961年,第一部Copal Square I 开发出来了.。当时,只有Mamiya,Konica和Pentax才能用这部Copal快门。但是Mamiya制造了Nikorex F(不是Nikon),所以这部相机是第一个使用了这部快门的相机。
1965,Copal Square S 开发成功,这是最著名的Copal 机械快门,以后被用在各种各样的相机身上。同年Konica用此快门制出Auto Reflex。Copal S快门被用在Nikkormat FT,Sigma Mark-1,Ricohflex TLS401,Singlex TLS,Exacta Twin TL,Cosina Hi-Lite等等相机上。1965年后Copal S 快门被大量的模仿制造.,直到90年代还还有许多SLR 在用这部快门和它的模仿品。更值得说的是,60年代用这部快门制造的相机很多到现在依然准确无误。速度从B门、1秒到1/1000秒,闪光同步为1/125,这在当时的机械快门里都是最高的。 今天数码单反相机上使用的快门也是这种快门的后续衍生品。
此后,Copal快门不局限在这三家公司,所以,Copal S快门被用在Nikkormat FT,Sigma Mark-1,Ricohflex TLS401,Singlex TLS,Exacta Twin TL,Cosina Hi-Lite等等相机上。
Copal 继续开发新的快门:
Copal SE ,1968年推出的由电磁铁取代动力弹簧的电子叶片快门,用在Canon EF,Yashica TL Electro,Yashica AX,Nikkormat EL等;
CLS (Copal-Leitz 快门,1972) 用在Minolta XE,Leica R3,CCS-M (1974) 用在Nikon FM,Konica ACOM-1;
同时Seiko-sha生产了一部金属幕廉快门,它被用于Pentax K2等。
1964年,Copal和Seiko都成功研制出了电子快门,佳能第一款采用电子快门的相机CanonetQL19E于1965年底上市。整个日本照相机行业都越来越清晰地认识到,照相机的竞争,不再只是机械技术和光学技术的竞争,电子技术对于争取消费者和占领市场制高点的作用越来越明显。
现在基本各家DSLR用的都是Copal 的焦平面快门。
而佳能早期的EOS一般使用SEIKO或CITIZEN制造的快门,顶级机才使用Copal 快门。早期canon专业级别fc的快门无故障工作次数为10万次,比如f1,这是当时canon的一个专业标准。而当时nikon的fc的标准是快门能够保证5万次无故障启闭。
现在徕卡M8、M9啥的也是用Copal快门。哈苏配合ArcBody 机身的Rodenstock 镜头都使用Copal0 号快门,快门速度:1-1/500, B, T 。
禄来2003年推出的全新双反Rolleiflex 4.0 FW的快门也是Copal的镜间快门,1~1/500秒和B门。
贵族化的阿尔帕相机一般使用的是copa l 0号机械镜间快门。
要查看列出的Copal快门的一组图纸
Copal#0快门

Copal#1快门

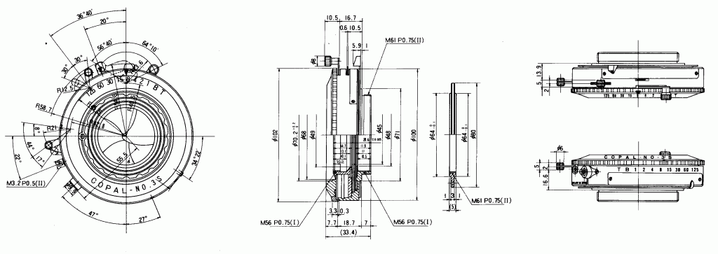
Copal#3S快门

Copal尺寸和规格
| COPAL规格 | #0 | #1 | #3 | #3 |
| 前螺纹 | M29.5-0.5 | M40-0.75 | M58-0.75 | M56-0.75 |
| 后螺纹 | M29.5-0.5 | M36-0.75 | M58-0.75 | M56-0.75 |
| 整体厚度 | 20毫米 | 20毫米 | 32毫米 | 28.6毫米 |
| 快门前 | 10.2毫米 | 10.75毫米 | 17.7毫米 | 16.25毫米 |
| 安装螺纹 | M32.5-0.5 | M39-0.75 | M62-0.75 | M61-0.75 |
| 镜板孔 | 34.6毫米 | 41.6毫米 | 65毫米 | 64.1毫米 |
| 虹膜直径 | 24毫米 | 30毫米 | 45毫米 | 45毫米 |




暂无评论